Modul LCD zaslona za kuhinjsku elektronsku vagu
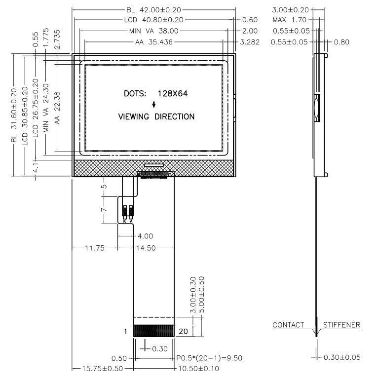
Modul LCD zaslona je LCD standardne veličine od 128x64 točaka za ručne alate; čija je dimenzija 42.0x31.60mm, a područje gledanja 38.0x24.30mm; DFSTN materijal sa ST7567 kontrolerom.
- Uvod u proizvod
detalji o proizvodu
Modul LCD zaslona je LCD standardne veličine od 128x64 točaka za ručne alate; čija je dimenzija 42.0x31.60mm, a područje gledanja 38.0x24.30mm; DFSTN materijal sa ST7567 kontrolerom. Imamo tri pozadine za ovaj LCD, plavu, crnu i sivu, i možemo ih prilagoditi prema vašim zahtjevima uključujući veličinu.
Specifikacija



Proces prilagođenog LCD-a
Dizajnirajte LCD crtež: naš inženjer će dizajnirati LCD crtež prema zahtjevima klijenata, to će trajati oko 1-3 dana.
Potvrdite LCD crtež: Kada završimo dizajn crteža, poslat ćemo kupcu na potvrdu.
Proizvodnja alata i uzoraka: Kada kupac potvrdi da je crtež u redu, počet ćemo proizvodnju alata i uzoraka, što će trajati oko 15 do 30 dana. (Neovisno o vrstama LCD-a)
Masovna proizvodnja: Kada završimo s proizvodnjom uzoraka, poslat ćemo 5 besplatnih uzoraka kupcu na testiranje; i ako su uzorci u redu, započinjemo masovnu proizvodnju, koja će trajati oko 30-40 dana.

Popularni tagovi: Modul LCD zaslona za kuhinjsku elektronsku vagu, Kina, dobavljači, tvornica, prilagođeno, ponuda, popust pri kupnji, besplatni uzorak, proizvedeno u Kini











